
德国SIEMENS西门子电动调节阀VVF42.125-250C
产品介绍
VVF42.125-250C是西门子(Siemens)电动调节阀,属于长行程阀门系列,主要用于锅炉、区域供热、制冷设备等场景。具有压力补偿功能,适用于高压差应用可以配备电动执行器 SAX.. 或电动液压执行器 SKD..、SKB..、SKC..
特点
-适用介质与温度范围高
适用于冷冻水、低温水、高温水及盐水,介质温度覆盖-10℃至150℃℃,满足多种工业场景需求;
-阀体材质与结构
阀体采用灰铸铁或球墨铸铁材质,确保耐腐蚀性和强度,阀门行程设计灵活,DN25至DN150规格可选,对应20mm至40mm口径;
-执行器配置
支持多种执行器类型,包括电动执行器(SAX/SAV)和电动液压执行(SKD/SKB/SKC),满足不同压力差和控制需求;
-含压力补偿功能
内置压力补偿设计,可有效应对高压差环境,提升系统稳定性和控制精度;
规格参数
行程:DN25…DN80:20mm;DN100…DN150:40mm
阀体材质:灰铁/球墨铸铁
公称压力:PN16
介质温度:-10……150℃
连接方式:法兰连接
口径:DN25…150
流通力kvs:6.3…400 m3/h
属于长行程阀门系列,用于冷冻水、低温水、高温水和盐水
可以配备电动执行器SAX..、SAV… 或电动液压执行器 SKD..、SKB..、SKC..
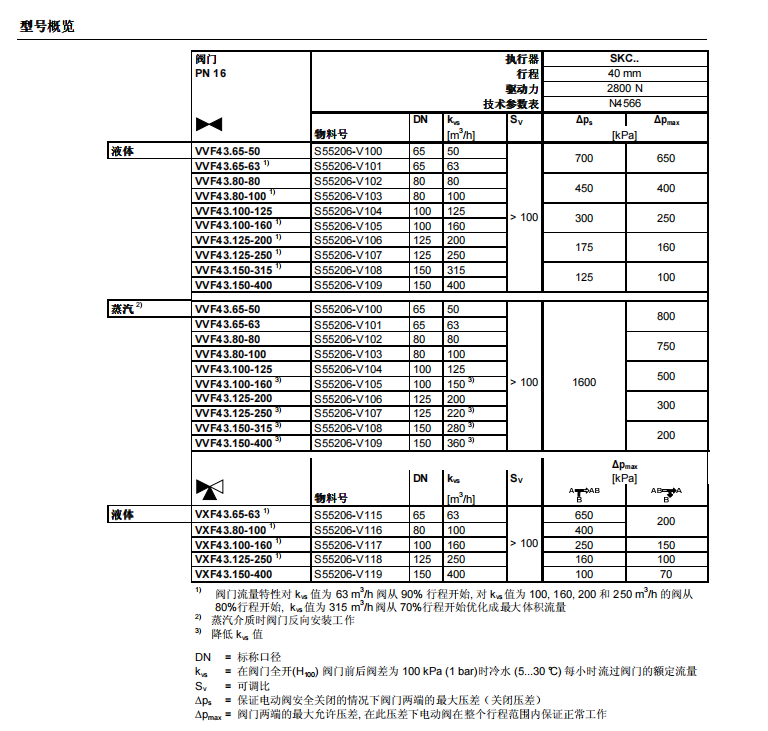
选型概览

联系人:胡女士
联系电话:18092189059
联系邮箱:xamtjd@126.com
公司名称:西安美天机电设备有限公司
公司地址:西安莲湖区杏园路196号